霍尔效应原理说明--范德堡法测试方法
发布日期:2026-02-07 11:50浏览次数:
范德堡方法可以用来测量任意形状的厚度均匀的薄膜样品。在样品侧边制作四个对称的电极,如图(14)所示。
图14 范德堡方法测量示意图
测量电阻率时,依次在一对相邻的电极通电流,另一对电极之间测电位差,得到电阻R,代入公式得到电阻率ρ。

其中d为样品厚度,f为范德堡因子,是比值RAB,CD/RBC,AD的函数。
以上便是范德堡方法侧量薄膜材料电阻率的方法,这种方法对于样品形状没有特殊的要求,但是要求薄膜样品的厚度均匀,电阻率均匀,表面是单连通的,即没有孔洞。此外,A,B,C,D四个接触点要尽可能小(远远小于样品尺寸),并且这四个接触点必须位于薄膜的边缘。
不过在实际测量中,为了简化测量和计算,常常要求待测薄膜为正方形,这是由于正方形具有很高的对称性,正方形材料的四个顶点从几何上是完全等效,因而可推知电阻值RAB,CD和RBC,AD在理论上也应该是相等。查表可知当RAB,CD/RBC,AD=1时,f=1。因此,最终电阻率的公式即可简化为:
(1)
霍尔效应基本原理
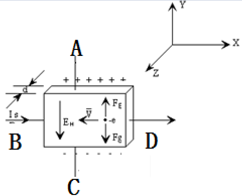
霍尔效应从本质上讲是运动的带电粒子在磁场中受洛仑兹力作用而引起的偏转。当带电粒子(电子或空穴)被约束在固体材料中,这种偏转就导致在垂直电流和磁场的方向上产生正负电荷的聚积,从而形成附加的横向电场,即霍尔电场。对于图2所示的N型半导体试样,若在X方向的电极B、D上通以电流Is,在Z方向加磁场B,试样中载流子(电子)将受洛仑兹力:
(2)
其中e为载流子(电子)电量,
为载流子在电流方向上的平均定向漂移速率,B为磁感应强度。无论载流子是正电荷还是负电荷,Fg的方向均沿Y方向,在此力的作用下,载流子发生便移,则在Y方向,即试样A、C电极两侧就开始聚积异号电荷而在试样A、C两侧产生一个电位差VH,形成相应的附加电场E——霍尔电场,相应的电压VH称为霍尔电压,电极A、C称为霍尔电极。电场的指向取决于试样的导电类型。N型半导体的多数载流子为电子,P型半导体的多数载流子为空穴。对N型试样,霍尔电场逆Y方向,P型试样则沿Y方向。

图15 样品示意图
显然,该电场是阻止载流子继续向侧面偏移,试样中载流子将受一个与Fg方向相反的横向电场力:
(3)
其中EH为霍尔电场强度。
FE随电荷积累增多而增大,当达到稳恒状态时,两个力平衡,即载流子所受的横向电场力FE与洛仑兹力Fg相等,样品两侧电荷的积累就达到平衡,故有
(4)
设试样的宽度为b,厚度为d,载流子浓度为n,则电流强度Is与
的关系为:
(5)
由(4)、(5)两式可得
(6)
即霍尔电压VH(A、C电极之间的电压)与IsB乘积成正比与试样厚度d成反比。比例系数
称为霍尔系数,它是反映材料霍尔效应强弱的重要参数。根据霍尔效应制作的元件称为霍尔元件。由式(6)可见,只要测出VH(伏)以及知道Is(安)、B(高斯)和d(厘米)可按下式计算RH(厘米3/库仑)
(7)
测量霍尔电势VH时,不可避免的会产生一些副效应,由此而产生的附加电势叠加在霍尔电势上,形成测量系统误差,这些副效应有:
(1)不等位电势V0
由于制作时,两个霍尔电势既不可能绝对对称的焊在霍尔片两侧、霍尔片电阻率不均匀、控制电流极的端面接触不良都可能造成A、C两极不处在同一等位面上,此时虽未加磁场,但A、C间存在电势差V0,此称不等位电势。
(2)爱廷豪森效应
当元件X方向通以工作电流IS,Z方向加磁场B时,由于霍尔片内的载流子速度服从统计分布,有快有慢。在到达动态平衡时,在磁场的作用下慢速快速的载流子将在洛仑兹力和霍尔电场的共同作用下,沿Y轴分别向相反的两侧偏转,这些载流子的动能将转化为热能,使两侧的温升不同,因而造成Y方向上的两侧的温差(TA-TC)。因为霍尔电极和元件两者材料不同,电极和元件之间形成温差电偶,这一温差在A、C间产生温差电动势VE。这一效应称爱廷豪森效应,VE的大小与正负符号与IS、B的大小和方向有关,跟VH与IS、B的关系相同,所以不能在测量中消除。
(3)伦斯脱效应
由于控制电流的两个电极与霍尔元件的接触电阻不同,控制电流在两电极处将产生不同的焦耳热,引起两电极间的温差电动势,此电动势又产生温差电流(称为热电流)Q,热电流在磁场作用下将发生偏转,结果在Y方向上产生附加的电势差VH,且VH∝QB这一效应称为伦斯脱效应,由上式可知VH的符号只与B的方向有关。
(4)里纪-杜勒克效应
如(3)所述霍尔元件在X方向有温度梯度,引起载流子沿梯度方向扩散而有热电流Q通过元件,在此过程中载流子受Z方向的磁场B作用下,在Y方向引起类似爱廷豪森效应的温差TA-TC,由此产生的电势差VH∝QB,其符号与B的方向有关,与IS的方向无关。
4.2 霍尔效应数据处理方法
1. 电阻率的计算
利用范德堡方法测量薄膜材料电阻率时,对于厚度均匀,电阻率均匀,表面是单连通的,即没有孔洞,且形状为正方形的样品,可用下式进行计算:
(8)
其中RAB,CD计算方法为在一对相邻的电极(A,B)通电流,另一对电极(C,D)之间测电位差,得到电阻R。 但是由于材料切割工艺等原因,导致测得数据在数值上完全相等不可能严格达到,因此在测量电阻率的时候用ABCD四点轮换通电测量和反向测量测量的方法得到RAB,CD,RBC,AD等八个电阻值,这八个电阻值在理论上应该是完全相等的,因此可取这八个电阻值的平均值作为测量值R,用这种多次测量取平均的方法来来消除测量误差。
2. 霍尔电压VH的测量
应该说明,在产生霍尔效应的同时,因伴随着多种副效应,以致实验测得的A、C两电极之间的电压并不等于真实的VH值,而是包含着各种副效应引起的附加电压,因此必须设法消除。

(9)
当AC通入电流,测量BD点的电势差和BD点出入电流,测量AC两点的电势差,四次霍尔系数的测量结果从理论上来讲也应该是一致的数值,因此依旧可以用以上在电阻率测量中使用的均值法来消除测量误差。
(10)
3. 霍尔系数RH的计算
由霍尔效应的测试原理可知,只要算出VH(伏)以及知道Is(安)、B(高斯)和d(厘米)可按下式计算RH(厘米3/库仑):
(10)
由RH 的符号(霍尔电压的正、负)可以判断试样的导电类型,方法为:按图2所示的Is和B的方向,若测得的VH=VAC<0,(即点A的电位低于点A´的电位)则RH 为负,样品属N型,反之则为P型。
4. 体载流子浓度n的计算
根据RH可进一步求体载流子浓度(/厘米3):
(12)
应该指出,这个关系式是假定所有的载流子都具有相同的漂移速率得到的,严格一点,考虑载流子的漂移速率服从统计分布规律,需引入3π/8 的修正因子。但影响不大,本实验中可以忽略此因素。
5. 表面载流子浓度n’的计算
根据体载流子浓度n(/厘米3)和霍尔片厚度d(厘米),可以计算出表面载流子浓度n’(/厘米2):
(13)
6. 电导率σ的计算
计算出电阻率
后,可由下式求得σ(/Ω•cm):
(14)
7. 迁移率μ的计算
电导率σ(/Ω•cm)与载流子浓度n(/厘米3)以及迁移率μ(cm³/V•s)之间有如下关系:
(15)
由此可得迁移率μ的计算公式为:
(16)
霍尔效应原理说明--范德堡法测试方法
提取码:fzf3